MFJ-259 Antenna Analyzer Modifications


INTRODUCTION

The interest in this modification (adapting the MFJ-259 to tune down to 100 kHz) has been huge, to say the least. A third of the letters received have been from outside the US.

VERY BRIEF HISTORY

A few years ago, about 5 years, one of our popular amateur magazines published an article about an antenna analyzer using a signal generator and a frequency counter. Though I did not build the project from this article, I have on many occasions used the article s idea by using a signal generator (Lamkin) and a frequency counter to find the resonance of either an LC circuit or antenna.

Later, MFJ came out with the 249 antenna analyzer which consisted of the same components: a simple generator and a frequency counter. MFJ later last year came out with the newer model 259, which also reads impedance. I personally have the model 259, though frankly if you look at the impedance scale, you'll find the analyzer responds best in the 25 - 75 ohm load anyway. Which means if you get a good dip in the SWR reading, you re most likely in the 25 - 75 ohm range. Being interested in VLF and MF for many years (30 years), I had the need to tool up the MFJ 259 to respond to that portion of the band.

THE MODIFICATION

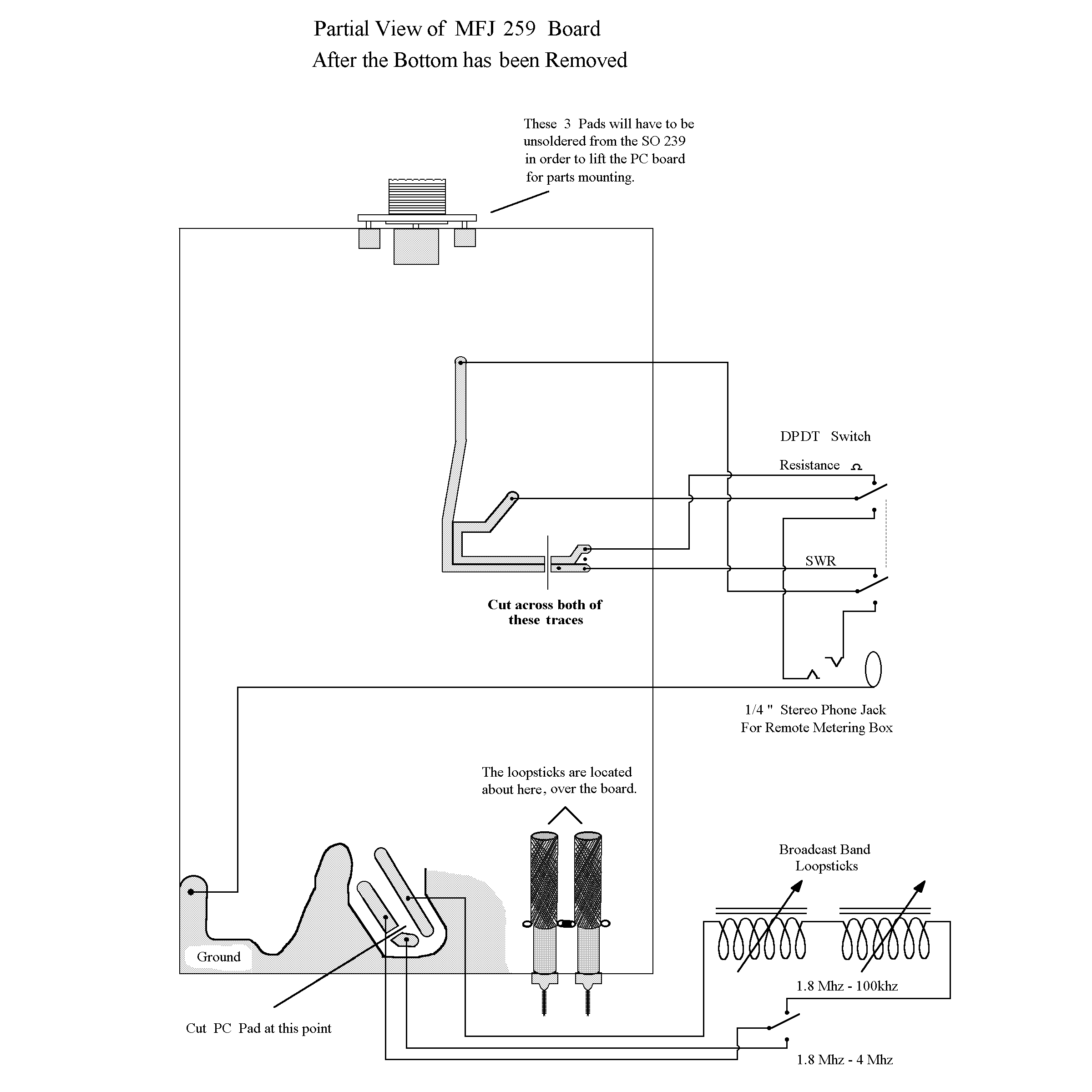
Believing the MFJ 259 frequency counter was every bit as good as my own frequency counter (0 - 500 MHz), the limitation to the low band conversion would only be by the LC network of the 259's signal generator. This turned out to be the case.

Upon removing the back cover (there are a few screws), you will see the foil side of the PC board. Most soldered connections will be on this side of the board. This board will have to be detached from the rest of the hardware so it can be slightly cocked to fit in the parts and drill the necessary holes.

Editor's Note: In their original form, the accompanying illustrations are too large to print as part of a Web page. You may access them individually below, save them to disk, and use your favorite graphics program to print in a suitable size.

CONCLUSION

Since the original MFJ write up, I've again modified my MFJ-259 and removed the 2 ferrite adjustable coils and replaced them with a tapped coil using a 1/2 inch ferrite rod. The taps are switched by a multi switch mounted where the toggle switch would be mounted. No more screwing in or out of the loop sticks, just band switching. This provides continuous tuning from 100khz to 170Mhz.

Small banana jacks were placed where the loop sticks were mounted and are wired to the multi switch so that external coils can be attached without tearing into the unit. I use the external connection for coil testing. I thought I'd throw that info in.

Well, have fun. I'm off working on a new type of antenna.

73's
Dave - WB6VKH

(This article is protected under U.S. and international copyright laws. Obtain the author's permission before distributing in any form.)


Return to the Longwave Home Page.








potrzebie